Deprecated: Creation of dynamic property db::$querynum is deprecated in /www/wwwroot/ixw21.com/inc/func.php on line 1413

Deprecated: Creation of dynamic property db::$database is deprecated in /www/wwwroot/ixw21.com/inc/func.php on line 1414

Deprecated: Creation of dynamic property db::$Stmt is deprecated in /www/wwwroot/ixw21.com/inc/func.php on line 1453

Deprecated: Creation of dynamic property db::$Sql is deprecated in /www/wwwroot/ixw21.com/inc/func.php on line 1454
九州酷游「中国」官方网站
人工智能视觉检测引领者

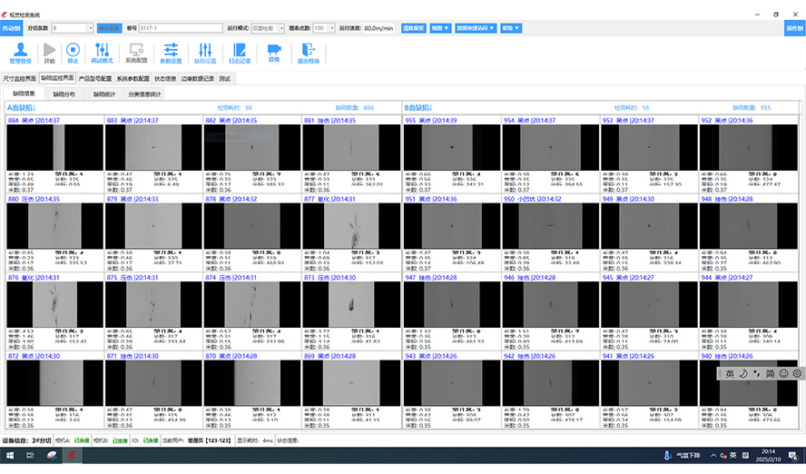
十年以上系统集成能力迭代:光学系统匹配、图像质量评估、相机标定工具、2D/3D视觉算法、AI智能平台、质量保障、快速交付。

About Us
关于九州酷游

工信部锂离子电池安全标准特别工作组成员单位,专注于AI+机器视觉和AI+无损探伤智能装备的国家高新技术企业,连续被评为“中国科技创新中小企业100强”、“国家级专精特新小巨人企业”、“国家高新技术企业”、“广东省机器视觉工程技术研究中心”。


  • 200+

    在职员工(人)

  • 300+

    软件著作权(项)

  • 1200+

    申请专利(项)

  • 2010

    成立时间(年)

Product Field
产品领域
Technical skills
光学
视觉模块为自主设计光学算法系统,拥有强大的成像质量评估平台,机械,电气,自动化采用柔性设计,开发出行业通用软件架构。
Technical skills
AI
Technical skills
3D
Technical skills
线扫
News
新闻动态